产品服务

高端设备,完美产品,为您提供卓越品质服务

电磁流量计系列

KF700系列
KF700H系列
KF700W系列
KF700M系列
KF700E系列
KF700P系列
电磁传感器分类系列

涡轮流量计

KF500系列
KF510系列

金属管浮子流量计

LUGB涡街流量传感器

孔板流量计

玻璃转子流量计

有机玻璃流量计

塑管流量计

报警开关流量计

其他系列


型号: KF700E电池供电电磁流量计

型号: KF700E电池供电电磁流量计
下载资料

性能特点          
口  径    DN25mm~DN600mm
电极材料    316L, Hb, Hc, Ti, Ta, Pt
衬里材料    氯丁橡胶,PTFE,
介  质    导电性液体
介质电导    ≥5μs/cm, 软化水为 20μs/cm  
精度等级    ±1.0%RS-±1.5%RS
配套转换器型号 MF800/810/820
流速范围    0.3m/s -5m/s
工作温度    一体式≤120℃
工作压力    0.6MPa~4.0MPa(口径)
防护等级    IP65, IP67
输出信号    无源脉冲(流量检定用)
电  源    电池供电
安装形式    一体式,分体式


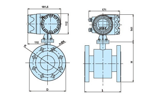
外形尺寸

DN mm

工作压力

L

D

K

n-A

一体式重量

分体式重量

Mpa

kg

kg

25

1"

4.0

150

115

85

4-15

11

9

32

1¼"

150

140

100

4-18

13

11

40

1½"

150

150

110

4-18

15

12

50

2"

200

165

125

4-18

16

14

65

2½"

200

185

145

8-18

21

19

80

3"

200

200

160

8-18

21

19

100

4"

1.6

250

220

180

8-18

28

26

125

5"

250

250

210

8-18

30

28

150

6"

300

285

240

8-22

41

39

200

8"

1.0

350

340

295

8-22

53

51

250

10"

400

395

350

12-22

92

90

300

12"

500

445

400

16-22

110

108

350

14"

500

505

460

16-22

131

129

400

16"

600

565

515

16-26

155

153

450

18"

600

615

565

20-26

222

217

500

20"

600

670

620

20-26

239

220

600

24"

600

780

725

20-30

262

260


流量选择

DNmm

流速(m/s)

0.3

0.5

1

2

3

4

5

6

7

8

9

10

11

12

50

2.1

3.5

7.1

14.1

21.2

28.3

35.3

42.4

49.5

56.5

63.6

70.7

77.8

84.8

80

5

9

18

36

54

72

90

109

127

145

163

181

199

217

100

8

14

28

57

85

113

141

170

198

226

254

283

311

339

150

19

32

64

127

191

254

318

382

445

509

573

636

700

763

200

30

60

110

230

340

450

570

680

790

900

1020

1130

1240

1360

250

50

90

180

350

530

710

880

1060

1240

1410

1590

1770

1940

2120

300

80

130

250

510

760

1020

1270

1630

1780

2040

2290

2540

2800

3050

350

100

170

350

690

1040

1390

1730

2080

2420

2770

3120

3460

3810

4160

400

140

230

450

900

1360

1810

2260

2710

3170

3620

4070

4520

4980

5430

450

170

290

570

1150

1720

2290

2860

3440

4010

4580

5150

5730

6300

6870

500

210

350

710

1410

2120

2830

3530

4240

4950

5650

6360

7070

7780

8480

600

300

500

1000

2000

3100

4100

5100

6100

7100

8100

9200

10200

11200

12200




上一页 下一页